Валюта:
Доступность:
Производитель Номер Название ИС Дней К-во Цена
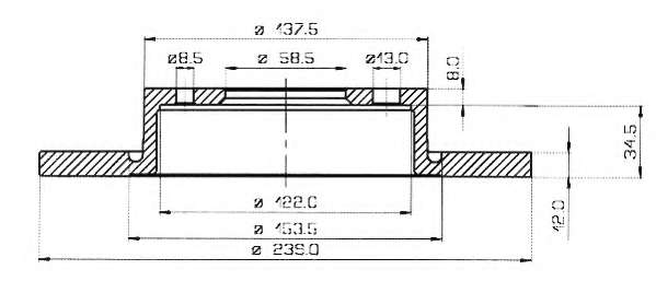
WIX FILTERS BDC3653 Тормозной диск