Валюта:
Доступность:
Производитель Номер Название ИС Дней К-во Цена
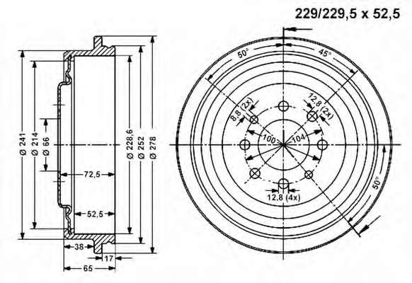
VEMA 800835 Тормозной барабан