Валюта:
Доступность:
Производитель Номер Название ИС Дней К-во Цена
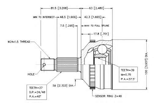
VEMA 18557 Шарнирный комплект, приводной вал