Валюта:
Доступность:
Производитель Номер Название ИС Дней К-во Цена
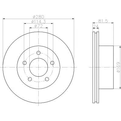
TEXTAR 92113503 Тормозной диск