Валюта:
Доступность:
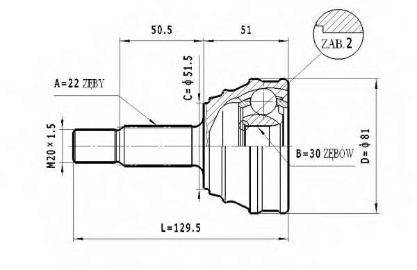
Производитель Номер Название ИС Дней К-во Цена
STATIM C.319 Шарнирный комплект, приводной вал