Валюта:
Доступность:
Производитель Номер Название ИС Дней К-во Цена
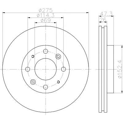
PAGID 54367 Тормозной диск