Валюта:
Доступность:
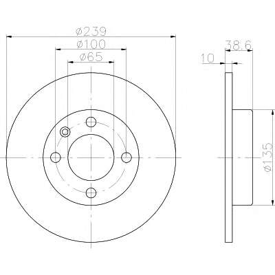
Производитель Номер Название ИС Дней К-во Цена
PAGID 53901 Тормозной диск