Валюта:
Доступность:
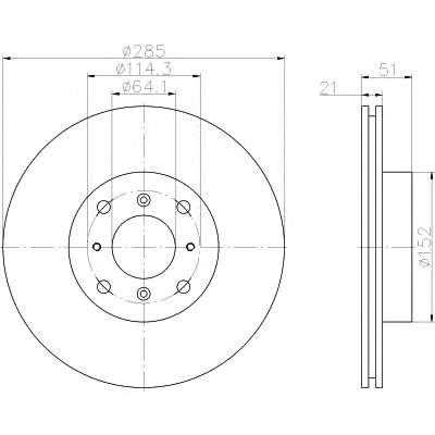
Производитель Номер Название ИС Дней К-во Цена
PAGID 52911 Тормозной диск