Валюта:
Доступность:
Производитель Номер Название ИС Дней К-во Цена
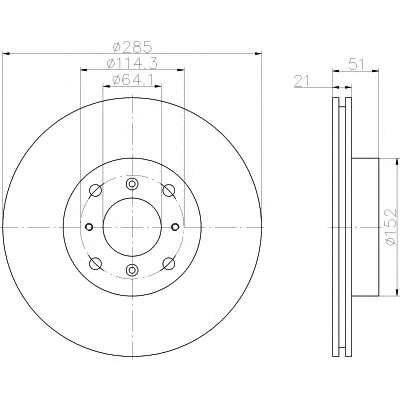
MINTEX MDC440 Тормозной диск