Валюта:
Доступность:
Производитель Номер Название ИС Дней К-во Цена
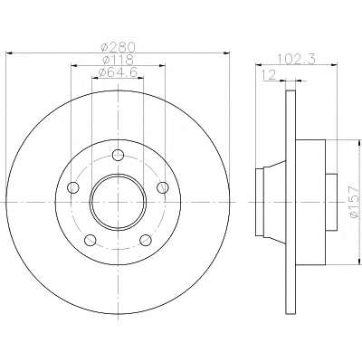
MINTEX MDC1609 Тормозной диск