Валюта:
Доступность:
Производитель Номер Название ИС Дней К-во Цена
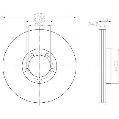
MINTEX MDC1527 Тормозной диск