Валюта:
Доступность:
Производитель Номер Название ИС Дней К-во Цена
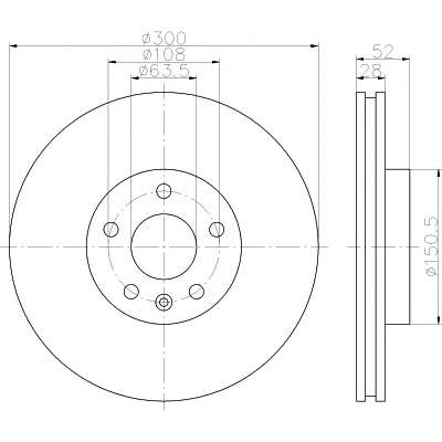
HELLA 8DD 355 113-821 Тормозной диск