Валюта:
Доступность:
Производитель Номер Название ИС Дней К-во Цена
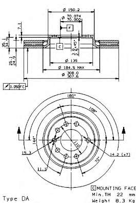
BREMBO 09.9369.10 Тормозной диск