Валюта:
Доступность:
Производитель Номер Название ИС Дней К-во Цена
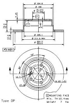
BREMBO 08.7019.80 Тормозной диск