Валюта:
Доступность:
Производитель Номер Название ИС Дней К-во Цена
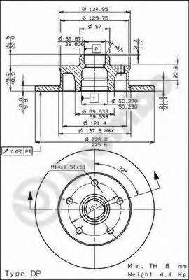
BREMBO 08.5005.20 Тормозной диск