Валюта:
Доступность:
Производитель Номер Название ИС Дней К-во Цена
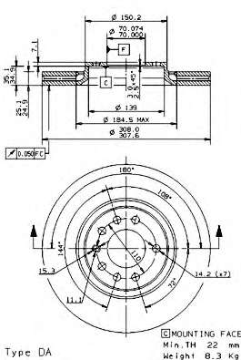
BRECO BV 8546 Тормозной диск