Валюта:
Доступность:
Производитель Номер Название ИС Дней К-во Цена
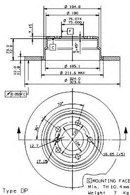
BRECO BS 7639 Тормозной диск