Валюта:
Доступность:
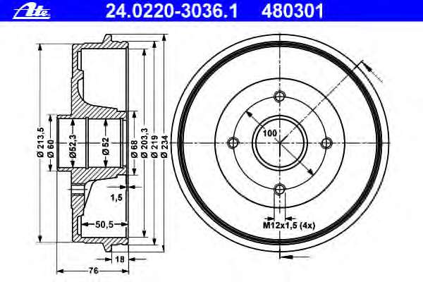
Производитель Номер Название ИС Дней К-во Цена
ATE 24.0220-3036.1 Тормозной барабан