Валюта:
Доступность:
Производитель Номер Название ИС Дней К-во Цена
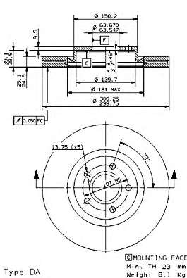
AP 24925 V Тормозной диск