Валюта:
Доступность:
Производитель Номер Название ИС Дней К-во Цена
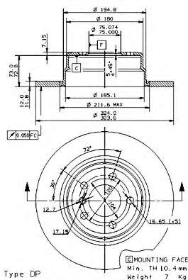
AP 14848 Тормозной диск